Fabriquer un casque audio sans fil (et hacker Apple)
Publié le 26 septembre 2016 par Elsa Ferreira
Si Apple est «courageux», les makers sont malins. Alors que l’entreprise vient d’annoncer la fin du jack sur son nouvel Iphone et de nouveaux écouteurs sans fil, Makery vous montre comment transformer un casque en bluetooth pour moins de 20 euros.
Le 7 septembre, Apple fait sa grande rentrée et présente le nouvel Iphone 7. Les rumeurs étaient donc vraies : le nouveau joujou (entre 769 et 1129€) n’aura pas de prise jack, qui permet de connecter casques d’écoute et haut-parleurs. Pas de panique : la firme a pensé à tout. Et la voilà qui présente ses Airpods, écouteurs sans fil donc, pour quelque 179€.
Certains se réjouissent de la disparition d’un dispositif destiné à devenir obsolète : avec ses 3,5mm, la prise jack freine la course à la finesse et détériore la qualité sonore. D’autres soulignent que si Apple revendique un geste « courageux », il est aussi très rentable : en plus de sortir une nouvelle ligne d’écouteurs sans fil, la firme a acheté en mai 2014 la compagnie Beats qui commercialise des casques bluetooth. Les biohackers voient dans les Airpods les premiers implants made in Apple, les accros à Photoshop y trouvent une référence implicite à Titanic… Bref, la nouvelle initiative d’Apple déclenche autant de passions que l’annonce du divorce des Brangelina (comment ça, on s’en fiche ?).
.@Apple So there's room for jack but ur not gonna put it on there. Second time this has happened. #AppleEvent pic.twitter.com/5tIEWQpjJZ
— nascarcasm (@nascarcasm) September 7, 2016
Côté makers, on n’a pas attendu la marque à la pomme pour faire un pas vers le futur. Dans un tuto ultra complet consulté plus de 165 000 fois, l’utilisateur américain de Instructables Silentbogo explique comment transformer son casque audio old school en appareil bluetooth. Si la liste de matériel nécessaire peut donner le tournis, c’est que le monsieur fait tout de A à Z, circuit imprimé compris. Bonus non négligeable : il vous en coûtera 18€. Tremble, Apple…
Matériel
– Un casque audio ;
– Une imprimante laser, du papier glacé et un fer à repasser (pour le circuit imprimé) ;
– Un morceau de plaque de prototypage ;
– Une batterie de portable, n’importe laquelle (environ 4€) ;
– Un module bluetooth BLK-MD-SPK-B ;
– Un chargeur de batterie lithium-ion ;
– Deux mini-jack (mâle et femelle) ;
– Un interrupteur ;
– Trois boutons poussoirs ;
– Fil 1mm ;
– Plaque pour circuit imprimé ;
– Flux de soudure (pour faciliter la soudure, vous pouvez le fabriquer vous-même), fil d’étain et tresse à dessouder ;
– Ruban isolant ;
– Colle chaude ;
– Oxyde de fer, chlorure ou persulfate de sodium ;
– De l’acétone ou du dissolvant à base d’acétone.
Outils
– Tournevis cruciforme (taille PH0 ou PH00) et petit tournevis à tête plate ;
– Fer à souder ;
– Multimètre (au cas où) ;
– Ciseaux, pince à épiler, coupe-câble ;
– Outil rotatif avec accessoire de coupe, de broyage et de perçage pour le circuit imprimé ;
– Mini câble USB ;
– Chargeur de téléphone.

Fabrication
1/ Le circuit imprimé
Imprimez le plan du circuit mis à disposition par Silentbogo sur papier glacé puis l’attacher sur le circuit. Repassez le circuit pendant quelques minutes à température modérée pour transférer le dessin (pour éviter les résidus, mettre un drap entre le circuit et le fer, conseille-t-il). Laissez refroidir et placez le circuit dans un bain d’eau tiède. Retirez le papier glacé.

Vous pouvez ensuite commencer la gravure grâce au persulfate de sodium, ou un autre produit choisi. Dissolvez 50g de persulfate dans 250ml d’eau tiède et y submerger le circuit. Laissez cuire jusqu’à ce que le processus soit complet (une vingtaine de minutes). Une fois la gravure terminée, enlevez l’encre laser avec de l’acétone.
Recouvrez la surface de votre circuit de flux de soudure et recouvrez les lignes de cuivre avec de l’étain. Vous pouvez vous aider des tresses à dessouder.
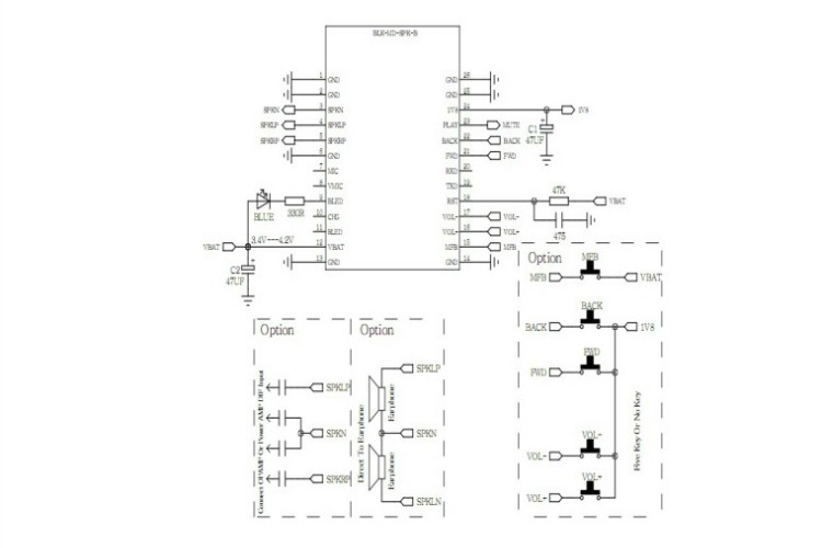
Soudez le module bluetooth.

2/ Installer les boutons de volume
Pour connecter les boutons de volume, Silentbogo se réfère au schéma du module bluetooth de la page Elecfreaks. Il choisit trois boutons : Vol +, Vol – et un bouton multifonctions (Play/Pause/Silencieux). Grâce à votre plaque de prototypage, connectez les boutons de volumes à la source 1,8 volts (broche 24) et le bouton multifonctions à VBAT (broche 12).


Percez trois trous dans le casque pour y placer les boutons. Installez et collez la plaque de prototypage dans le couvercle de l’écouteur.

3/ Installer la batterie et finaliser
Pour équilibrer le poids, la batterie et le chargeur seront placés dans l’écouteur opposé. Reliez les écouteurs gauche et droit en suivant le schéma fourni.

Testez.
Silentbogo essaie son nouveau casque (en anglais):
Si certaines de ces étapes vous posent problème, la discussion sous le tuto est très active. Les participants essaient en ce moment d’ajouter un micro. Allez donc y faire un tour !
La page Instructables du casque bluetooth DiY (en anglais)